| Katalog : | 5108-2961 |
| Dostupnost : | na objednávku |
| (obvyklá max. doba dodání : 3-5 dnů) | |
přidat do mého seznamu oblíbených položek
nastavit hlídacího psa = pošle mail jakmile bude položka naskladněna
| cena eshop s DPH : | 75,- Kč |
| cena na prodejně : | 77,- Kč |
| sleva : | 2,60 % |
množstevní slevy eshop (Kč) |
||
počet | bez DPH | vč. DPH |
1 ks | 62,- | 75,- |
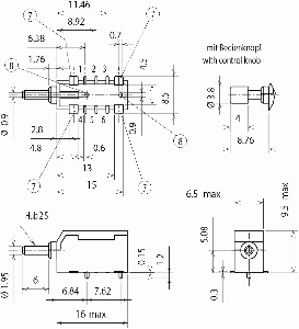
Tlačítko bez aretace SMD 0.5A/60VDC, vývody vlevo, ON-(ON)
Počet stabilních poloh: 1
Konfigurace kontaktů: SPDT (1x přepínací kontakt)
Zatížitelnost kontaktů AC/DC (při odporové zátěži): 0.5 A / 60 VDC/VAC
Síla pro přepnutí: 5N
Rozměry tělesa: 23.76 x 9.5 x 6.5mm
Výška tlačítka (měřeno od PCB): 6mm
Způsob přepínání: ON-(ON)
Tvar hmatníku: kulatý
Rozteč vývodů: 1.1x9.4mm
Pracovní teplota: -40...80°C
Barva hmatníku: šedá
Vývody: SMD, vlevo 4,5,6
Max. odpor kontaktu: 30mOhm
Min. odpor izolace: 100000MOhm
Mechanická trvanlivost: 20000cyklů
Elektronické součástky Zdroje energie
Tlačítka s aretací

