| Katalog : | 3000-0087 |
| Dostupnost : | na objednávku |
| (obvyklá max. doba dodání : 3-5 dnů) | |
přidat do mého seznamu oblíbených položek
nastavit hlídacího psa = pošle mail jakmile bude položka naskladněna
| cena eshop s DPH : | 313,- Kč |
| cena na prodejně : | 324,- Kč |
| sleva : | 3,40 % |
množstevní slevy eshop (Kč) |
||
počet | bez DPH | vč. DPH |
1 ks | 258,90 | 313,- |
od 2 ks |
234,- | 283,14 |
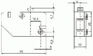
Koncový spínač s trnem
Provedení hlavice: trn
Konfigurace výstupu: SPDT (1x přepínací kontakt)
Max. přenášený proud kontaktů: 16A
Spínané napětí: max 220V DC, max 400V AC
Připojení: šroubové svorky
Stupeň krytí: IP40
Rozměry tělesa: 45 x 25 x 12mm
Pracovní teplota: -25...85°C
Materiál tělesa: plast
Vlastnosti přepínačů: mžikové kontakty
Zatížitelnost kontaktů AC (při odporové zátěži): 1 A / 400 VAC
Zatížitelnost kontaktů DC (při odporové zátěži): 0.5 A / 220 VDC
Mechanická trvanlivost: 5000000cyklů
Elektronické součástky Zdroje energie
Relé a přísl., stykače

